O型密封圈尺寸
優質內容 來源:O型圈 作者:旭麗橡塑 發布時間:2020-08-28 14:41:42 閱讀次數: 收藏數:12 分享:47

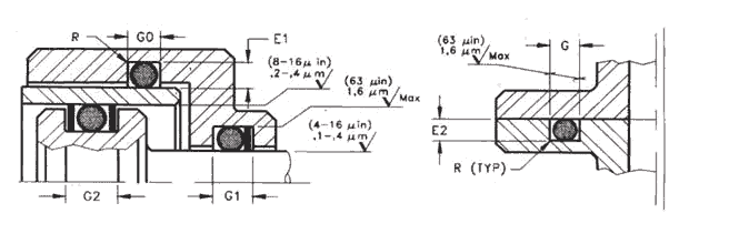
一、O形密封圈溝槽尺寸(單位:mm)
| 截面直徑w | 徑向動態和靜態 | 僅限于軸向密封 | 半徑 | |||||
|
溝槽深度 e1+0.06 |
溝槽寬度 |
溝槽深度 e2+0.2 |
溝槽寬度 g+0.2 |
無擋圈 r |
有擋圈 r |
|||
| g0+0.2 |
擋圈 g1+0.2 |
擋圈 g2+0.2 |
||||||
|
1.20 1.25 1.52 1.78 1.80 1.90 2.40 2.62 3.50 3.53 5.33 5.70 7.00 8.40 |
0.80 1.00 1.20 1.45 1.45 1.65 2.00 2.25 3.10 3.10 4.70 5.00 6.10 7.50 |
1.40 1.80 1.90 2.20 2.20 2.50 2.90 3.10 4.20 4.20 6.20 6.70 8.20 9.70 |
2.90 3.60 3.60 3.90 4.30 4.50 5.60 5.60 7.90 8.40 10.70 12.20 |
3.90 5.00 5.00 5.30 5.70 5.90 7.00 7.00 9.60 10.10 13.20 14.70 |
0.65 1.85 1.00 1.20 1.20 1.40 1.70 1.90 2.70 2.70 4.30 4.60 5.80 6.90 |
1.40 1.80 2.10 2.40 2.40 2.50 3.20 3.60 4.80 4.80 7.10 7.70 9.50 11.70 |
0.20 0.20 0.20 0.40 0.40 0.50 0.50 0.60 1.00 1.00 1.20 1.20 1.50 2.00 |
0.20 0.20 0.20 0.20 0.30 0.30 0.40 0.40 0.40 0.60 0.60 0.90 |
注:如果需要有較大的膨脹,溝槽寬度可增大20%
二、O形密封圈原則
對不同種類固定密封或動密封應用場合,O形密封圈為設計者提供了一種既有效又經濟的密封元件。O形圈是一種雙向作用密封元件。安裝時徑向或軸向方面的初始壓縮,賦予O形圈自身的初始密封能力。由系統壓力而產生的密封力與初始密封力合成總的密封力,它隨系統壓力的提高而提高。O形圈在靜密封場合,顯示了突出的作用。然而,在動態的適當場合中,O形圈也常被應用,但它受到密封處的速度和壓力的限制。
技術數據 壓力: 速度:
靜態場合 Z大往復速度可達0.5m/s
無擋圈時,Z大可達到壓力20mpa Z大旋轉速度可達2.0m/s
有擋圈時,Z大可達到壓力40mpa 介質與溫度:
有特殊擋圈時,Z大可達到壓力200mpa 見《橡膠密封件原料特性表》
動態壓力 Z大壓縮量:
無擋圈時,往復運動Z大可達5mpa 靜密封:o型圈直徑的20%
有擋圈時,較高壓力 動密封:o型圈直徑的30%
三、O形圈的壓縮量還與材料的硬度
推薦的數據如下表:
|
密封圈線徑 mm |
1.78 |
2.62 |
3.53 |
5.33 |
7.00 |
|
硬 度 70 shore |
|
壓 力 |
壓 縮 量 mm |
||||
|
≤35bar |
0.15 |
0.18 |
0.20 |
0.25 |
0.30 |
|
硬 度 80 shore |
|
≤35bar |
0.20 |
0.25 |
0.30 |
0.35 |
0.40 |
|
硬 度 90 shore |
|
≤35bar |
0.25 |
0.30 |
0.40 |
0.45 |
0.50 |

了解更多密封圈規格,進入旭麗橡塑官網,或歡迎各位電話咨詢!
公司介紹:
永嘉旭麗橡塑科技有限公司中G泵閥之鄉永嘉,專業生產各種類型不同材質O型圈產品的生產廠J,產品主要用于水泵,閥門,機械液壓, 汽車電子,石油化工,塑料模具,醫療器械,食品,航空以及G防軍工等中高端領域。公司擁有雄厚的技術開發力量、先進的生產 裝備和嚴格的檢測程序,誠信為本,誠信經營、 追求卓越的管理思想,發揚以顧客至上、質量DY的宗旨。
近年來,公司一直在穩步發展,產品在市場 的信譽不斷提高,我們竭誠為G內外客戶提供優質的產品和服務,歡迎廣大新老客戶洽談業務!
永嘉旭麗橡塑科技有限公司專業生產銷售O型圈,橡膠接頭系列產品,本公司市場信譽良好,擁有完善的實驗檢測設備,憑著多年O形圈生產 經驗,熟悉并了解此類橡膠產品市場行情,迎得 了G內外用戶的一致好評,歡迎來電來涵咨詢洽談!
- 133****643231小時前【向廠家咨詢】
- 154****699413小時前【向廠家咨詢】
- 138****518648小時前【向廠家咨詢】
- 185****922838小時前【向廠家咨詢】
- 150****851744小時前【向廠家咨詢】
- 132****64979小時前【向廠家咨詢】
本文標題:O型密封圈尺寸本文地址:http://m.biaoqiu.cn/size/475.html



全氟醚O型圈
「O型圈」氫化丁腈橡膠O型圈
「O型圈」天然橡膠O型圈
「O型圈」聚四氟乙烯橡膠O型圈